特點:過孔導電滑環完全滿足360度無限制旋轉的動力、控制及數字信號混合傳輸;全盛過孔滑環采用先進的纖刷技術,免維護,無需潤滑油;每路多點接觸,低接觸壓力,低噪音和低接觸磨損,超長的使用壽命;標準化、模塊化設計,產品規格齊全,并能為客戶量身定制所需要的產品。
可選項:額定電流、電壓、額定轉速、工作溫度、路數、外殼材料及顏色、外型尺寸、專用導線、導線出口方向、導線長度、防護等級、端子類型
典型應用:工業機器加工中心、旋轉工作臺、重型設備塔臺、電纜卷盤、試驗設備、包裝設備、堆垛機、磁性離合器、工藝控制設備、旋轉傳感器、緊急照明設備、機器人、展覽/顯示設備、醫療設備等。
過孔導電滑環電氣技術指標
|
參數 |
數值 |
|
額定電壓 |
240VAC/VDC |
|
額定電流 |
標準每環為5A |
|
導線規格 |
AWG22 鍍銀鐵氟龍絕緣 |
|
導線長度 |
標準500mm |
|
絕緣電阻 |
≥500MΩ/500VDC |
|
絕緣體強度 |
500VAC@50Hz,60s |
|
動態電阻變化值 |
<0.01Ω |
過孔導電滑環機械技術指標
|
參數 |
數值 |
|
工作速度 |
0~250rpm |
|
工作溫度 |
-20℃-+80℃ |
|
工作濕度 |
60%RH 或更高 |
|
接觸材料 |
貴金屬 |
|
殼體材料 |
工程塑料 |
|
力 距 |
6環產品為0.35N×m |
|
防護等級 |
IP51 |


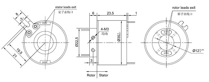
過孔導電滑環安裝說明:
■ 因我們的過孔導電滑環滑環轉動扭矩很小,因此可將內圈部分導線保護好后直接用于轉動或固定;
注意事項:
■ 滑環環體不得作承重用,環體導線也不得承受外部控力;
■ 在滑環安裝時,務必要保護好導線,避免因導體絕緣層損壞而影響產品品質;
■ 滑環系精密電氣元件,應使其在一個干燥,少塵的環境下工作。如果環境條件惡劣,應增加防護措施。

電話:0571-86496782
郵件:sales@hzqs.com
地址:杭州市臨平區順風路518號全盛產業園