特點
全盛氣(液)電氣動滑環電信號與氣路、液路混走; 結構緊湊
可選項
電、氣、液路數、電纜長度、氣路、液路的工作介質及工作壓力、額定轉速
典型應用
鋼包運轉臺
氣動滑環技術指標
|
參數 |
數值 |
|
|
功率 |
信號 |
|
|
額定電壓 |
380VAC |
240VAC/VDC |
|
額定電流 |
10A/路 |
2A/路 |
|
絕緣體強度 |
≥1000MΩ/500VDC |
≥500MΩ/500VDC |
|
導線規格 |
AWG16鍍錫鐵氟龍絕緣 |
AWG22鍍銀鐵氟龍絕緣 |
|
導線長度 |
標準500mm |
|
|
絕緣電阻 |
500VAC/50Hz,60s |
|
|
動態電阻變化值 |
<0.01Ω |
|
機械技術指標
|
參數 |
數值 |
|
額定轉速 |
0~300rpm |
|
工作溫度 |
-20℃-+80℃ |
|
工作濕度 |
60%RH 或更高 |
|
接觸材料 |
貴金屬 |
|
殼體材料 |
工程塑料 |
|
防護等級 |
IP51 |
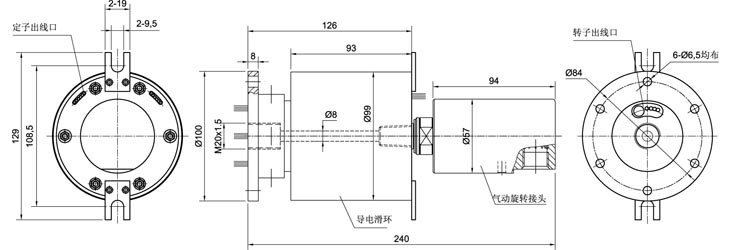
氣路參數
|
參數 |
數值 |
|
路 數 |
1路 |
|
壓 力 |
≤1.1Mpa |
|
介 質 |
氮氣 |
|
流量孔直徑 |
Φ8mm或根據客戶要求 |
|
連接螺紋 |
M20X1.5或根據客戶要求 |


電話:0571-86496782
郵件:sales@hzqs.com
地址:杭州市臨平區順風路518號全盛產業園