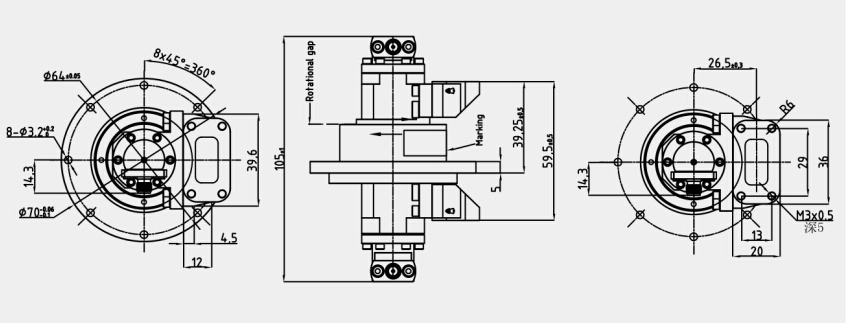
特點:
HFRJ202系列高頻滑環專為射頻信號傳輸而設計,最高頻率可達40Ghz;同軸式接觸設計,使得連接器具有超寬的帶寬,無截至頻率;多觸點結構,有效減小相位抖動;整體尺寸小,連接器接插使用,便于安裝
典型應用:
適用于軍民用車載、雷達、微波無線旋轉平臺
|
參數 |
1路波導通道 |
1路同軸通道 |
|
接口 |
R120 特殊法蘭 |
SMA母接頭(50 Ω) |
|
規格 |
|
規格 I |
|
頻段 |
14~14.5GHz |
0~4GHz |
|
峰值功率 |
10Kw |
|
|
最大平均功率 |
100w |
10w @ 4Ghz |
|
最大駐波比 |
1.2 |
1.2 |
|
最大駐波比波動 |
0.1 |
0.05 |
|
最大插入損耗 |
0.2dB |
0.4dB |
|
最大插損波動值 |
0.05dB |
0.1dB |
|
最大相位波動值 |
1° |
1° |
|
隔離度 |
50dB min./ 60dB 標準型 |
|
|
直流功率 |
0.5 A *48 V DC @ 滿功率 |
0.5 A *48 V DC @ 滿功率 |
|
質量 |
0.13kg |
|
|
工作溫度 |
-40~+70°C |
|
|
工作濕度 |
≤85% |
|
|
防護等級 |
IP 60按照 EN 60529 |
|


電話:0571-86496782
郵件:sales@hzqs.com
地址:杭州市臨平區順風路518號全盛產業園